国产高可靠性碳化硅器件TO220F/TO220I封装使得生产更便捷,电源更可靠
由于材料限制,传统硅基功率器件在许多方面已逼近甚至达到了其材料的本征极限。碳化硅功率器件以其优异的高耐压、低损耗、高导热率等性能,在工业领域大有可为。碳化硅二极管主要被用于PFC boost电路中替代Si FRD,随着技术的发展,电源设备小型化、高效率、高可靠的要求日趋迫切,使得碳化硅器件的需求越发旺盛。

SiC在各个领域的运用
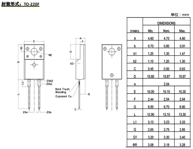
TO-220F封装
TO-220F封装简介
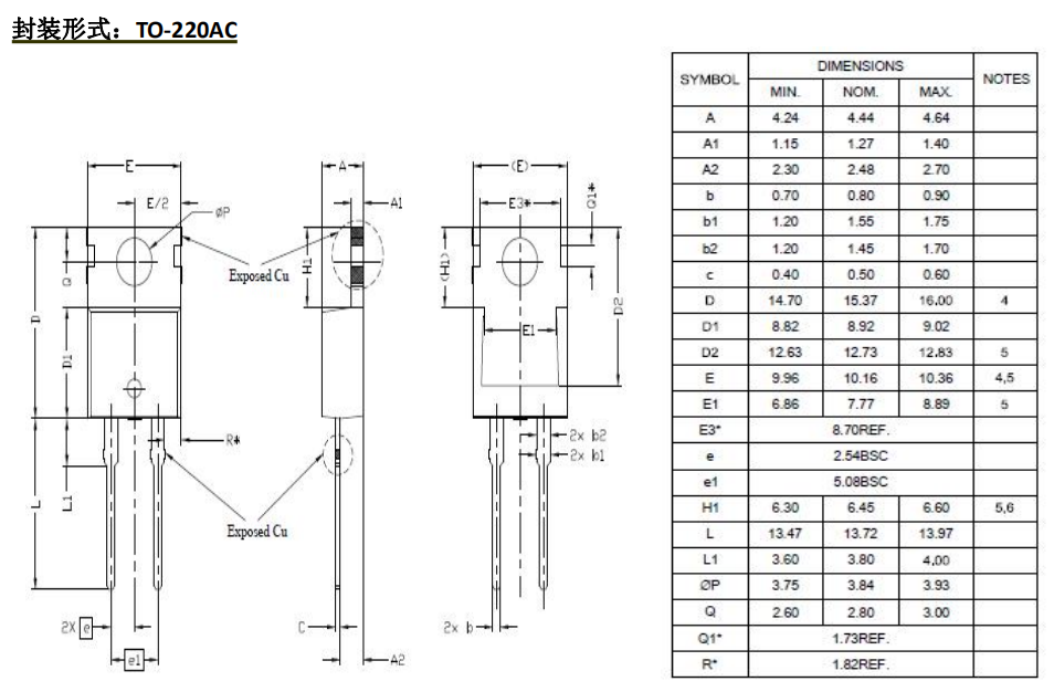
TO-220AC封装外形( Transistor Outline Package)是一种常规直插式的封装形式,TO-220F的外型与TO-220AC基本相同,区别是TO-220F是全塑封装,在上散热器时不用加绝缘垫。TO-220AC的金属片与引脚是相连的,如装散热器的话要加绝缘垫。


TO-220F与TO-220AC外观区别
应用场合
在实际使用过程中TO-220AC封装后面是一块金属片贴片,散热性较好,应用于对散热有较高需求的场合;而TO-220F则运用在通风条件良好,考虑绝缘问题时,彻底杜绝散热片处的电气连接造成漏电的可能性,让电路整体保持良好的绝缘性。
TO-220F封装特点:
■ 绝缘耐压:2500VAC 1min
■ 绝缘性好 防止出现漏电打火现象
■ 使用中无需额外的绝缘片
■ 几乎可忽略的反向恢复损耗
■ 优秀的抗浪涌电流能力
参考选型
目前,PA旗舰厅已量产TO-220F封装形式,具体型号包括:650V 2/3/4/5/6/8/10/20A; 1200V 2//5/10/15A等。
TO-220I封装
TO-220I封装简介
TO-220I封装的外观在TO-220AC基础上,内部放置了一片绝缘隔离体,在电路中使用时同样不需要额外的绝缘片。这种封装类型的二极管的Rth JC比TO-220F全塑封装低很多,有效的提高了器件通过散热片散热的能力。

TO-220I封装外观
应用场合
相比于TO-220F封装,它们同样不需要额外的绝缘片,而TO-220I封装拥有更好的散热性能,适用于对器件散热性能要求更高的场合。TO-220F/TO-220I封装可以去除设备在生产过程中安装外置绝缘片的过程,有效提高装配线的UPH(单位小时产能)。
TO-220I封装特点
■ 绝缘耐压:2500 VAC 1min
■ 散热性能好
■ 使用中无需额外的绝缘片
■ 几乎可忽略的反向恢复损耗
■ 优秀的抗浪涌电流能力
参考选型
目前,PA旗舰厅已量产TO-220I封装形式,具体型号包括:650V 4/6/8/10A等
封装尺寸对比:

TO-220AC封装尺寸信息

TO-220F封装尺寸信息

TO-220I封装尺寸信息
热阻/散热特性对比:
在相同工况时的热阻比较: TO220AC <TO220ISO <TO220F
650V10A碳化硅二极管,TO220AC、TO220F、TO220ISO三种封装的散热能力对比测试:
一、测试工具:
1、DC POWER SUPPLY,UNI-TUTP1305
2、温枪 FLUKE Ti10
二、测试条件:
导通电流5A
三、安装方式:
1、TO220AC加绝缘片(陶瓷片,厚度0.6mm)固定到散热器
2、TO220F直接固定到散热器
3、TO220ISO直接固定到散热器
四、测试步骤:
1、将二极管连接到电源上,1脚接电源负极,2脚接电源正极
2、电流输出调制最小,打开电源,电流调至5A,通态损耗约为5.9W。
3、采用自然冷区的方式等待器件稳定度达到热平衡
4、等待器件温度稳定后,使用温枪测温度并记录
五、测试结果:
散热能力TO220AC>TO220ISO>TO220F

TO220AC壳温82℃

TO220F壳温93℃

TO220ISO壳温87℃
碳化硅二极管在部分场合应用和电路拓扑参考下方:
